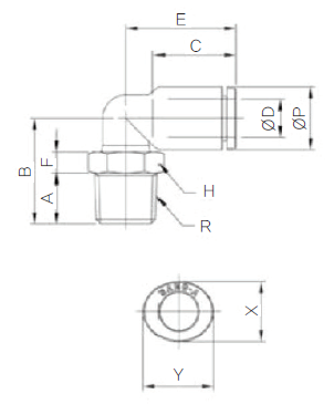
11020301 GPL 03M3 | | øD | R | øP | A | B | C | E |
|---|
| 3 | M3 | 9 | 3 | 14.6 | 14.5 | 17.1 |
| F | H | X | Y | Orifice(ømm) | W.G(g) | Q'ty/inbox |
|---|
| 5.4 | 9 | 8.6 | 10.8 | 1.2 | 4.5 | 100 |
|
11020302 GPL 03M5 | | øD | R | øP | A | B | C | E |
|---|
| 3 | M5 | 9 | 4 | 14.6 | 14.5 | 17.1 |
| F | H | X | Y | Orifice(ømm) | W.G(g) | Q'ty/inbox |
|---|
| 4.4 | 9 | 8.6 | 10.8 | 2 | 4.7 | 100 |
|
11020303 GPL 03M6 | | øD | R | øP | A | B | C | E |
|---|
| 3 | M6 | 9 | 5 | 14.6 | 14.5 | 17.1 |
| F | H | X | Y | Orifice(ømm) | W.G(g) | Q'ty/inbox |
|---|
| 4.4 | 9 | 8.6 | 10.8 | 2.5 | 5.2 | 100 |
|
11020401 GPL 04M3 | | øD | R | øP | A | B | C | E |
|---|
| 4 | M3 | 9 | 3 | 14.6 | 14.5 | 17.1 |
| F | H | X | Y | Orifice(ømm) | W.G(g) | Q'ty/inbox |
|---|
| 5.4 | 9 | 8.6 | 10.8 | 1.2 | 4.4 | 100 |
|
11020402 GPL 04M5 | | øD | R | øP | A | B | C | E |
|---|
| 4 | M5 | 9 | 4 | 14.6 | 14.5 | 17.1 |
| F | H | X | Y | Orifice(ømm) | W.G(g) | Q'ty/inbox |
|---|
| 4.4 | 9 | 8.6 | 10.8 | 2 | 4.6 | 100 |
|
11020403 GPL 04M6 | | øD | R | øP | A | B | C | E |
|---|
| 4 | M6 | 9 | 5 | 15.6 | 14.5 | 17.1 |
| F | H | X | Y | Orifice(ømm) | W.G(g) | Q'ty/inbox |
|---|
| 4.4 | 9 | 8.6 | 10.8 | 3 | 5 | 100 |
|
11020411 GPL 0401 | | øD | R | øP | A | B | C | E |
|---|
| 4 | R1/8 | 9 | 8 | 17.8 | 14.5 | 17.1 |
| F | H | X | Y | Orifice(ømm) | W.G(g) | Q'ty/inbox |
|---|
| 5 | 10 | 8.6 | 10.8 | 3.2 | 7.9 | 100 |
|
11020412 GPL 0402 | | øD | R | øP | A | B | C | E |
|---|
| 4 | R1/4 | 9 | 11 | 20.8 | 14.5 | 17.1 |
| F | H | X | Y | Orifice(ømm) | W.G(g) | Q'ty/inbox |
|---|
| 5 | 14 | 8.6 | 10.8 | 3.2 | 17 | 100 |
|
11020413 GPL 0403 | | øD | R | øP | A | B | C | E |
|---|
| 4 | R3/8 | 9 | 12 | 21.8 | 14.5 | 17.1 |
| F | H | X | Y | Orifice(ømm) | W.G(g) | Q'ty/inbox |
|---|
| 5 | 17 | 8.6 | 10.8 | 3.2 | 26.4 | 50 |
|
11020602 GPL 06M5 | | øD | R | øP | A | B | C | E |
|---|
| 6 | M5 | 11.2 | 4 | 15.7 | 15.5 | 18 |
| F | H | X | Y | Orifice(ømm) | W.G(g) | Q'ty/inbox |
|---|
| 4.4 | 9 | 11 | 13 | 2 | 5.4 | 100 |
|
11020603 GPL 06M6 | | øD | R | øP | A | B | C | E |
|---|
| 6 | M6 | 11.2 | 5 | 16.7 | 15.5 | 18 |
| F | H | X | Y | Orifice(ømm) | W.G(g) | Q'ty/inbox |
|---|
| 4.4 | 9 | 11 | 13 | 3 | 5.9 | 100 |
|
11020611 GPL 0601 | | øD | R | øP | A | B | C | E |
|---|
| 6 | R1/8 | 11.2 | 8 | 18.9 | 15.5 | 18 |
| F | H | X | Y | Orifice(ømm) | W.G(g) | Q'ty/inbox |
|---|
| 5 | 10 | 11 | 13 | 4 | 8.7 | 100 |
|
11020612 GPL 0602 | | øD | R | øP | A | B | C | E |
|---|
| 6 | R1/4 | 11.2 | 11 | 21.9 | 15.5 | 18 |
| F | H | X | Y | Orifice(ømm) | W.G(g) | Q'ty/inbox |
|---|
| 5 | 14 | 11 | 13 | 4 | 17.8 | 50 |
|
11020613 GPL 0603 | | øD | R | øP | A | B | C | E |
|---|
| 6 | R3/8 | 11.2 | 12 | 22.9 | 15.5 | 18 |
| F | H | X | Y | Orifice(ømm) | W.G(g) | Q'ty/inbox |
|---|
| 5 | 17 | 11 | 13 | 4 | 27.2 | 50 |
|
11020614 GPL 0604 | | øD | R | øP | A | B | C | E |
|---|
| 6 | R1/2 | 11.2 | 15 | 26.9 | 15.5 | 18 |
| F | H | X | Y | Orifice(ømm) | W.G(g) | Q'ty/inbox |
|---|
| 6 | 21 | 11 | 13 | 4 | 49.5 | 25 |
|
11020811 GPL 0801 | | øD | R | øP | A | B | C | E |
|---|
| 8 | R1/8 | 13.6 | 8 | 20.3 | 17.8 | 23.6 |
| F | H | X | Y | Orifice(ømm) | W.G(g) | Q'ty/inbox |
|---|
| 5 | 10 | 13 | 15 | 5.5 | 10.4 | 50 |
|
11020812 GPL 0802 | | øD | R | øP | A | B | C | E |
|---|
| 8 | R1/4 | 13.6 | 11 | 22.8 | 17.8 | 23.6 |
| F | H | X | Y | Orifice(ømm) | W.G(g) | Q'ty/inbox |
|---|
| 4.5 | 14 | 13 | 15 | 5.5 | 19.1 | 50 |
|
11020813 GPL 0803 | | øD | R | øP | A | B | C | E |
|---|
| 8 | R3/8 | 13.6 | 12 | 23.8 | 17.8 | 23.6 |
| F | H | X | Y | Orifice(ømm) | W.G(g) | Q'ty/inbox |
|---|
| 4.5 | 17 | 13 | 15 | 5.5 | 28.4 | 50 |
|
11020814 GPL 0804 | | øD | R | øP | A | B | C | E |
|---|
| 8 | R1/2 | 13.6 | 15 | 27.8 | 17.8 | 23.6 |
| F | H | X | Y | Orifice(ømm) | W.G(g) | Q'ty/inbox |
|---|
| 5.5 | 21 | 13 | 15 | 5.5 | 50.7 | 25 |
|
11021011 GPL 1001 | | øD | R | øP | A | B | C | E |
|---|
| 10 | R1/8 | 16.3 | 8 | 23.6 | 19.4 | 25 |
| F | H | X | Y | Orifice(ømm) | W.G(g) | Q'ty/inbox |
|---|
| 6.5 | 17 | 16 | 18.5 | 6 | 20.8 | 50 |
|
11021012 GPL 1002 | | øD | R | øP | A | B | C | E |
|---|
| 10 | R1/4 | 16.3 | 11 | 26.6 | 19.4 | 25 |
| F | H | X | Y | Orifice(ømm) | W.G(g) | Q'ty/inbox |
|---|
| 6.5 | 17 | 16 | 18.5 | 8 | 25.5 | 25 |
|
11021013 GPL 1003 | | øD | R | øP | A | B | C | E |
|---|
| 10 | R3/8 | 16.3 | 12 | 26.1 | 19.4 | 25 |
| F | H | X | Y | Orifice(ømm) | W.G(g) | Q'ty/inbox |
|---|
| 5 | 17 | 16 | 18.5 | 9 | 27.5 | 25 |
|
11021014 GPL 1004 | | øD | R | øP | A | B | C | E |
|---|
| 10 | R1/2 | 16.3 | 15 | 29.1 | 19.4 | 25 |
| F | H | X | Y | Orifice(ømm) | W.G(g) | Q'ty/inbox |
|---|
| 5 | 21 | 16 | 18.5 | 9 | 47.2 | 25 |
|
11021211 GPL 1201 | | øD | R | øP | A | B | C | E |
|---|
| 12 | R1/8 | 19.7 | 8 | 25.5 | 22.4 | 32.2 |
| F | H | X | Y | Orifice(ømm) | W.G(g) | Q'ty/inbox |
|---|
| 6.5 | 17 | 19.5 | 22.5 | 6 | 26.4 | 25 |
|
11021212 GPL 1202 | | øD | R | øP | A | B | C | E |
|---|
| 12 | R1/4 | 19.7 | 11 | 28.5 | 22.4 | 32.2 |
| F | H | X | Y | Orifice(ømm) | W.G(g) | Q'ty/inbox |
|---|
| 6.5 | 17 | 19.5 | 22.5 | 8 | 31.1 | 25 |
|
11021213 GPL 1203 | | øD | R | øP | A | B | C | E |
|---|
| 12 | R3/8 | 19.7 | 12 | 28 | 22.4 | 32.2 |
| F | H | X | Y | Orifice(ømm) | W.G(g) | Q'ty/inbox |
|---|
| 5 | 17 | 19.5 | 22.5 | 9.5 | 33.1 | 25 |
|
11021214 GPL 1204 | | øD | R | øP | A | B | C | E |
|---|
| 12 | R1/2 | 19.7 | 15 | 31 | 22.4 | 32.2 |
| F | H | X | Y | Orifice(ømm) | W.G(g) | Q'ty/inbox |
|---|
| 5 | 21 | 19.5 | 22.5 | 9.5 | 52.8 | 25 |
|
11021413 GPL 1403 | | øD | R | øP | A | B | C | E |
|---|
| 14 | R3/8 | 23.5 | 12 | 35 | 24.4 | 31.9 |
| F | H | X | Y | Orifice(ømm) | W.G(g) | Q'ty/inbox |
|---|
| 10.5 | 20 | 23 | 25 | 11 | 52.7 | 20 |
|
11021414 GPL 1404 | | øD | R | øP | A | B | C | E |
|---|
| 14 | R1/2 | 23.5 | 15 | 37.5 | 24.4 | 31.9 |
| F | H | X | Y | Orifice(ømm) | W.G(g) | Q'ty/inbox |
|---|
| 10 | 21 | 23 | 25 | 12 | 67 | 20 |
|
11021613 GPL 1603 | | øD | R | øP | A | B | C | E |
|---|
| 16 | R3/8 | 25.6 | 12 | 36 | 25 | 34 |
| F | H | X | Y | Orifice(ømm) | W.G(g) | Q'ty/inbox |
|---|
| 10.5 | 20 | 24 | 27 | 11 | 52.9 | 20 |
|
11021614 GPL 1604 | | øD | R | øP | A | B | C | E |
|---|
| 16 | R1/2 | 25.6 | 15 | 38.5 | 25 | 34 |
| F | H | X | Y | Orifice(ømm) | W.G(g) | Q'ty/inbox |
|---|
| 10 | 21 | 24 | 27 | 13 | 67.2 | 20
|
|