


※ 보라색으로 표기된 제품의 수치는 최신 발간행 이후 수치가 변경 된 항목이니 확인해 주시기 바랍니다.
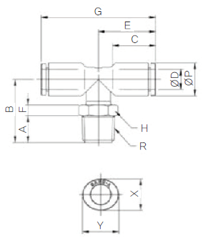
| CODE | MODEL | øD | R | øP | A | B | C | E | F | G | H | X | Y | Orifice (ømm) | W.G(g) | Q'ty/ inbox | Auto CAD MDT(3D) | Auto CAD R14(2D) | |
|---|---|---|---|---|---|---|---|---|---|---|---|---|---|---|---|---|---|---|---|
| STEP | DWG | ||||||||||||||||||
| 11030301 | GPT 03M3 | 3 | M3 | 9 | 3 | 16.6 | 14.5 | 17.1 | 5.4 | 34.2 | 9 | 8.6 | 10.8 | 1.2 | 6.2 | 100 | [로그인] | [로그인] | [로그인] |
| 11030302 | GPT 03M5 | 3 | M5 | 9 | 4 | 16.6 | 14.5 | 17.1 | 4.4 | 34.2 | 9 | 8.6 | 10.8 | 2 | 6.4 | 100 | [로그인] | [로그인] | [로그인] |
| 11030303 | GPT 03M6 | 3 | M6 | 9 | 5 | 17.6 | 14.5 | 17.1 | 4.4 | 34.2 | 9 | 8.6 | 10.8 | 3 | 6.8 | 100 | [로그인] | [로그인] | [로그인] |
| 11030401 | GPT 04M3 | 4 | M3 | 9 | 3 | 16.6 | 14.5 | 17.1 | 5.4 | 34.2 | 9 | 8.6 | 10.8 | 1.2 | 6 | 100 | [로그인] | [로그인] | [로그인] |
| 11030402 | GPT 04M5 | 4 | M5 | 9 | 4 | 16.6 | 14.5 | 17.1 | 4.4 | 34.2 | 9 | 8.6 | 10.8 | 2 | 6.2 | 100 | [로그인] | [로그인] | [로그인] |
| 11030403 | GPT 04M6 | 4 | M6 | 9 | 5 | 17.6 | 14.5 | 17.1 | 4.4 | 34.2 | 9 | 8.6 | 10.8 | 3 | 6.7 | 100 | [로그인] | [로그인] | [로그인] |
| 11030411 | GPT 0401 | 4 | R1/8 | 9 | 8 | 19.8 | 14.5 | 17.1 | 5 | 34.2 | 10 | 8.6 | 10.8 | 3.2 | 9.5 | 100 | [로그인] | [로그인] | [로그인] |
| 11030412 | GPT 0402 | 4 | R1/4 | 9 | 11 | 22.8 | 14.5 | 17.1 | 5 | 34.2 | 14 | 8.6 | 10.8 | 3.2 | 18.7 | 50 | [로그인] | [로그인] | [로그인] |
| 11030413 | GPT 0403 | 4 | R3/8 | 9 | 12 | 23.8 | 14.5 | 17.1 | 5 | 34.2 | 17 | 8.6 | 10.8 | 3.2 | 28 | 50 | [로그인] | [로그인] | [로그인] |
| 11030602 | GPT 06M5 | 6 | M5 | 11.2 | 4 | 17.7 | 15.5 | 18 | 4.4 | 35.9 | 9 | 11 | 13 | 2 | 7.7 | 50 | [로그인] | [로그인] | [로그인] |
| 11030603 | GPT 06M6 | 6 | M6 | 11.2 | 5 | 18.7 | 15.5 | 18 | 4.4 | 35.9 | 9 | 11 | 13 | 3 | 8.2 | 50 | [로그인] | [로그인] | [로그인] |
| 11030611 | GPT 0601 | 6 | R1/8 | 11.2 | 8 | 20.9 | 15.5 | 18 | 5 | 35.9 | 10 | 11 | 13 | 4 | 11 | 50 | [로그인] | [로그인] | [로그인] |
| 11030612 | GPT 0602 | 6 | R1/4 | 11.2 | 11 | 23.9 | 15.5 | 18 | 5 | 35.9 | 14 | 11 | 13 | 4 | 20.2 | 50 | [로그인] | [로그인] | [로그인] |
| 11030613 | GPT 0603 | 6 | R3/8 | 11.2 | 12 | 24.9 | 15.5 | 18 | 5 | 35.9 | 17 | 11 | 13 | 4 | 29.5 | 50 | [로그인] | [로그인] | [로그인] |
| 11030614 | GPT 0604 | 6 | R1/2 | 11.2 | 15 | 28.9 | 15.5 | 18 | 6 | 35.9 | 21 | 11 | 13 | 4 | 51.9 | 25 | [로그인] | [로그인] | [로그인] |
| 11030811 | GPT 0801 | 8 | R1/8 | 13.6 | 8 | 23.5 | 17.8 | 23.6 | 5 | 47.2 | 10 | 13 | 15 | 5.5 | 14.9 | 50 | [로그인] | [로그인] | [로그인] |
| 11030812 | GPT 0802 | 8 | R1/4 | 13.6 | 11 | 26 | 17.8 | 23.6 | 4.5 | 47.2 | 14 | 13 | 15 | 5.5 | 23.6 | 50 | [로그인] | [로그인] | [로그인] |
| 11030813 | GPT 0803 | 8 | R3/8 | 13.6 | 12 | 27 | 17.8 | 23.6 | 4.5 | 47.2 | 17 | 13 | 15 | 5.5 | 32.9 | 50 | [로그인] | [로그인] | [로그인] |
| 11030814 | GPT 0804 | 8 | R1/2 | 13.6 | 15 | 31 | 17.8 | 23.6 | 5.5 | 47.2 | 21 | 13 | 15 | 5.5 | 55.2 | 25 | [로그인] | [로그인] | [로그인] |
| 11031011 | GPT 1001 | 10 | R1/8 | 16.3 | 8 | 25.8 | 19.4 | 25 | 6.5 | 50 | 17 | 16 | 18.5 | 6 | 26.3 | 25 | [로그인] | [로그인] | [로그인] |
| 11031012 | GPT 1002 | 10 | R1/4 | 16.3 | 11 | 28.8 | 19.4 | 25 | 6.5 | 50 | 17 | 16 | 18.5 | 8 | 31 | 25 | [로그인] | [로그인] | [로그인] |
| 11031013 | GPT 1003 | 10 | R3/8 | 16.3 | 12 | 28.3 | 19.4 | 25 | 5 | 50 | 17 | 16 | 18.5 | 9 | 33 | 25 | [로그인] | [로그인] | [로그인] |
| 11031014 | GPT 1004 | 10 | R1/2 | 16.3 | 15 | 31.3 | 19.4 | 25 | 5 | 50 | 21 | 16 | 18.5 | 9 | 52.7 | 25 | [로그인] | [로그인] | [로그인] |
| 11031211 | GPT 1201 | 12 | R1/8 | 19.7 | 8 | 27.5 | 22.4 | 32.2 | 6.5 | 64.4 | 17 | 19.5 | 22.5 | 6 | 37 | 20 | [로그인] | [로그인] | [로그인] |
| 11031212 | GPT 1202 | 12 | R1/4 | 19.7 | 11 | 30.5 | 22.4 | 32.2 | 6.5 | 64.4 | 17 | 19.5 | 22.5 | 8 | 41.7 | 20 | [로그인] | [로그인] | [로그인] |
| 11031213 | GPT 1203 | 12 | R3/8 | 19.7 | 12 | 30 | 22.4 | 32.2 | 5 | 64.4 | 17 | 19.5 | 22.5 | 9.5 | 43.7 | 20 | [로그인] | [로그인] | [로그인] |
| 11031214 | GPT 1204 | 12 | R1/2 | 19.7 | 15 | 33 | 22.4 | 32.2 | 5 | 64.4 | 21 | 19.5 | 22.5 | 9.5 | 63.4 | 20 | [로그인] | [로그인] | [로그인] |
| 11031413 | GPT 1403 | 14 | R3/8 | 23.5 | 12 | 37.45 | 24.4 | 31.9 | 10.5 | 63.8 | 20 | 23 | 25 | 11 | 69.1 | 12 | [로그인] | [로그인] | [로그인] |
| 11031414 | GPT 1404 | 14 | R1/2 | 23.5 | 15 | 39.95 | 24.4 | 31.9 | 10 | 63.8 | 21 | 23 | 25 | 12 | 83.4 | 12 | [로그인] | [로그인] | [로그인] |
| 11031613 | GPT 1603 | 16 | R3/8 | 25.6 | 12 | 38.5 | 25 | 34 | 10.5 | 68 | 20 | 24 | 27 | 11 | 69.8 | 12 | [로그인] | [로그인] | [로그인] |
| 11031614 | GPT 1604 | 16 | R1/2 | 25.6 | 15 | 41 | 25 | 34 | 10 | 68 | 21 | 24 | 27 | 13 | 84.1 | 12 | [로그인] | [로그인] | [로그인] |

