


※ 보라색으로 표기된 제품의 수치는 최신 발간행 이후 수치가 변경 된 항목이니 확인해 주시기 바랍니다.
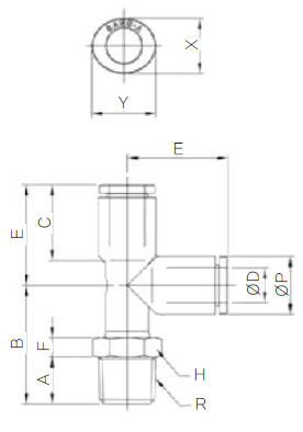
| CODE | MODEL | øD | R | øP | A | B | C | E | F | H | X | Y | Orifice (ømm) | W.G(g) | Q'ty/ inbox | Auto CAD MDT(3D) | Auto CAD R14(2D) | |
|---|---|---|---|---|---|---|---|---|---|---|---|---|---|---|---|---|---|---|
| STEP | DWG | |||||||||||||||||
| 11480401 | GPST 04M3(L) | 4 | M3 | 9 | 3 | 17.8 | 14.5 | 17.1 | 5.4 | 9 | 8.6 | 10.8 | 1.2 | 5.4 | 100 | [로그인] | [로그인] | [로그인] |
| 11480402 | GPST 04M5(L) | 4 | M5 | 9 | 4 | 17.8 | 14.5 | 17.1 | 4.4 | 9 | 8.6 | 10.8 | 2 | 5.6 | 100 | [로그인] | [로그인] | [로그인] |
| 11480403 | GPST 04M6(L) | 4 | M6 | 9 | 5 | 18.8 | 14.5 | 17.1 | 4.4 | 9 | 8.6 | 10.8 | 3 | 6 | 100 | [로그인] | [로그인] | [로그인] |
| 11480411 | GPST 0401(L) | 4 | R1/8 | 9 | 8 | 21 | 14.5 | 17.1 | 5 | 10 | 8.6 | 10.8 | 3.2 | 8.6 | 100 | [로그인] | [로그인] | [로그인] |
| 11480412 | GPST 0402(L) | 4 | R1/4 | 9 | 11 | 24 | 14.5 | 17.1 | 5 | 14 | 8.6 | 10.8 | 3.2 | 16.9 | 50 | [로그인] | [로그인] | [로그인] |
| 11480413 | GPST 0403(L) | 4 | R3/8 | 9 | 12 | 25 | 14.5 | 17.1 | 5 | 17 | 8.6 | 10.8 | 3.2 | 25.4 | 50 | [로그인] | [로그인] | [로그인] |
| 11480602 | GPST 06M5(L) | 6 | M5 | 11.2 | 4 | 19.4 | 15.5 | 19 | 4.4 | 9 | 11 | 13 | 2 | 7.3 | 50 | [로그인] | [로그인] | [로그인] |
| 11480603 | GPST 06M6(L) | 6 | M6 | 11.2 | 5 | 20.4 | 15.5 | 19 | 4.4 | 9 | 11 | 13 | 3 | 7.7 | 50 | [로그인] | [로그인] | [로그인] |
| 11480611 | GPST 0601(L) | 6 | R1/8 | 11.2 | 8 | 22.6 | 15.5 | 19 | 5 | 10 | 11 | 13 | 4 | 10.3 | 50 | [로그인] | [로그인] | [로그인] |
| 11480612 | GPST 0602(L) | 6 | R1/4 | 11.2 | 11 | 25.6 | 15.5 | 19 | 5 | 14 | 11 | 13 | 4 | 18.6 | 50 | [로그인] | [로그인] | [로그인] |
| 11480613 | GPST 0603(L) | 6 | R3/8 | 11.2 | 12 | 26.6 | 15.5 | 19 | 5 | 17 | 11 | 13 | 4 | 27.1 | 50 | [로그인] | [로그인] | [로그인] |
| 11480614 | GPST 0604(L) | 6 | R1/2 | 11.2 | 15 | 30.6 | 15.5 | 19 | 6 | 21 | 11 | 13 | 4 | 47.4 | 25 | [로그인] | [로그인] | [로그인] |
| 11480811 | GPST 0801(L) | 8 | R1/8 | 13.6 | 8 | 25.3 | 17.8 | 23.6 | 5 | 10 | 13 | 15 | 5.5 | 12.4 | 50 | [로그인] | [로그인] | [로그인] |
| 11480812 | GPST 0802(L) | 8 | R1/4 | 13.6 | 11 | 27.8 | 17.8 | 23.6 | 4.5 | 14 | 13 | 15 | 5.5 | 20.3 | 50 | [로그인] | [로그인] | [로그인] |
| 11480813 | GPST 0803(L) | 8 | R3/8 | 13.6 | 12 | 28.8 | 17.8 | 23.6 | 4.5 | 17 | 13 | 15 | 5.5 | 28.7 | 25 | [로그인] | [로그인] | [로그인] |
| 11480814 | GPST 0804(L) | 8 | R1/2 | 13.6 | 15 | 32.8 | 17.8 | 23.6 | 5.5 | 21 | 13 | 15 | 5.5 | 49 | 25 | [로그인] | [로그인] | [로그인] |
| 11481011 | GPST 1001(L) | 10 | R1/8 | 16.3 | 8 | 29.7 | 19.4 | 25 | 6.5 | 17 | 16 | 18.5 | 6 | 23.9 | 25 | [로그인] | [로그인] | [로그인] |
| 11481012 | GPST 1002(L) | 10 | R1/4 | 16.3 | 11 | 32.7 | 19.4 | 25 | 6.5 | 17 | 16 | 18.5 | 8 | 28.2 | 25 | [로그인] | [로그인] | [로그인] |
| 11481013 | GPST 1003(L) | 10 | R3/8 | 16.3 | 12 | 32.2 | 19.4 | 25 | 5 | 17 | 16 | 18.5 | 9 | 30 | 25 | [로그인] | [로그인] | [로그인] |
| 11481014 | GPST 1004(L) | 10 | R1/2 | 16.3 | 15 | 35.2 | 19.4 | 25 | 5 | 21 | 16 | 18.5 | 9 | 47.9 | 25 | [로그인] | [로그인] | [로그인] |
| 11481211 | GPST 1201(L) | 12 | R1/8 | 19.7 | 8 | 31.4 | 22.4 | 32.2 | 6.5 | 17 | 19.5 | 22.5 | 6 | 33.3 | 20 | [로그인] | [로그인] | [로그인] |
| 11481212 | GPST 1202(L) | 12 | R1/4 | 19.7 | 11 | 34.4 | 22.4 | 32.2 | 6.5 | 17 | 19.5 | 22.5 | 8 | 37.6 | 20 | [로그인] | [로그인] | [로그인] |
| 11481213 | GPST 1203(L) | 12 | R3/8 | 19.7 | 12 | 33.9 | 22.4 | 32.2 | 5 | 17 | 19.5 | 22.5 | 9.5 | 39.4 | 20 | [로그인] | [로그인] | [로그인] |
| 11481214 | GPST 1204(L) | 12 | R1/2 | 19.7 | 15 | 36.9 | 22.4 | 32.2 | 5 | 21 | 19.5 | 22.5 | 9.5 | 57.3 | 20 | [로그인] | [로그인] | [로그인] |
※ 파랑색으로 표기된 제품의 수치는 최신 발간행 이후 수치가 변경 된 항목이니 확인해 주시기 바랍니다.

