


※ 보라색으로 표기된 제품의 수치는 최신 발간행 이후 수치가 변경 된 항목이니 확인해 주시기 바랍니다.
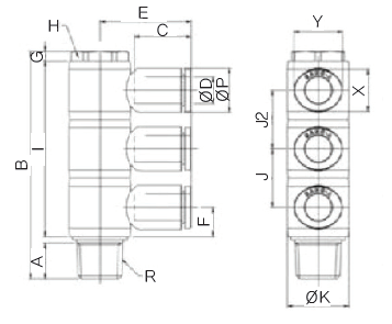
| CODE | MODEL | øD | R | øP | A | B | C | E | F | G | H | I | J | J2 | øK | X | Y | Orifice (ømm) | W.G(g) | Q'ty/ inbox | Auto CAD MDT(3D) | Auto CAD R14(2D) | |
|---|---|---|---|---|---|---|---|---|---|---|---|---|---|---|---|---|---|---|---|---|---|---|---|
| STEP | DWG | ||||||||||||||||||||||
| 11510411 | GPH 0401(3) | 4 | R1/8 | 9 | 8 | 55.5 | 14.5 | 21.5 | 7.3 | 2.5 | 13 | 43.5 | 14.5 | 14.5 | 14 | 8.6 | 10.8 | 3.2 | 33.5 | 25 | [로그인] | [로그인] | [로그인] |
| 11510412 | GPH 0402(3) | 4 | R1/4 | 9 | 11 | 70 | 14.5 | 24 | 9 | 3 | 17 | 54 | 18 | 18 | 19 | 8.6 | 10.8 | 3.2 | 34.5 | 25 | [로그인] | [로그인] | [로그인] |
| 11510413 | GPH 0403(3) | 4 | R3/8 | 9 | 12 | 81.8 | 14.5 | 25.7 | 10.5 | 4 | 21 | 63 | 21 | 21 | 22.4 | 8.6 | 10.8 | 3.2 | 98 | 25 | [로그인] | [로그인] | [로그인] |
| 11510611 | GPH 0601(3) | 6 | R1/8 | 11.2 | 8 | 55.5 | 15.5 | 22.5 | 7.3 | 2.5 | 13 | 43.5 | 14.5 | 14.5 | 14 | 11 | 13 | 5 | 35.7 | 25 | [로그인] | [로그인] | [로그인] |
| 11510612 | GPH 0602(3) | 6 | R1/4 | 11.2 | 11 | 71 | 15.5 | 25 | 9 | 3 | 17 | 54 | 18 | 18 | 19 | 11 | 13 | 5 | 63.8 | 25 | [로그인] | [로그인] | [로그인] |
| 11510613 | GPH 0603(3) | 6 | R3/8 | 11.2 | 12 | 81.8 | 15.5 | 26.7 | 10.5 | 4 | 21 | 63 | 21 | 21 | 22.4 | 11 | 13 | 5 | 100.3 | 25 | [로그인] | [로그인] | [로그인] |
| 11510811 | GPH 0801(3) | 8 | R1/8 | 13.6 | 8 | 55.5 | 17.8 | 25.6 | 8 | 2.5 | 13 | 43.5 | 14.5 | 14.5 | 14 | 13 | 15 | 6 | 39.5 | 25 | [로그인] | [로그인] | [로그인] |
| 11510812 | GPH 0802(3) | 8 | R1/4 | 13.6 | 11 | 70 | 17.8 | 28.1 | 9 | 3 | 17 | 54 | 18 | 18 | 19 | 13 | 15 | 7 | 67.7 | 25 | [로그인] | [로그인] | [로그인] |
| 11510813 | GPH 0803(3) | 8 | R3/8 | 13.6 | 12 | 81.8 | 17.8 | 29.8 | 10.5 | 4 | 21 | 63 | 21 | 21 | 22.4 | 13 | 15 | 7 | 101.6 | 20 | [로그인] | [로그인] | [로그인] |
| 11510814 | GPH 0804(3) | 8 | R1/2 | 13.6 | 15 | 88.8 | 17.8 | 32.1 | 11 | 5 | 24 | 66 | 22 | 22 | 27 | 13 | 15 | 7 | 161 | 20 | [로그인] | [로그인] | [로그인] |
| 11511012 | GPH 1002(3) | 10 | R1/4 | 16.3 | 11 | 70 | 19.4 | 28.9 | 9.7 | 3 | 17 | 54 | 18 | 18 | 19 | 16 | 18.5 | 8 | 77.3 | 12 | [로그인] | [로그인] | [로그인] |
| 11511013 | GPH 1003(3) | 10 | R3/8 | 16.3 | 12 | 81.8 | 19.4 | 30.6 | 10.5 | 4 | 21 | 63 | 21 | 21 | 22.4 | 16 | 18.5 | 9 | 108.2 | 12 | [로그인] | [로그인] | [로그인] |
| 11511014 | GPH 1004(3) | 10 | R1/2 | 16.3 | 15 | 88.8 | 19.4 | 32.9 | 11 | 5 | 24 | 66 | 22 | 22 | 27 | 16 | 18.5 | 9 | 164.6 | 12 | [로그인] | [로그인] | [로그인] |
| 11511213 | GPH 1203(3) | 12 | R3/8 | 19.7 | 12 | 81.8 | 22.4 | 35.9 | 11.9 | 4 | 21 | 63 | 21 | 21 | 22.4 | 19.5 | 22.5 | 9.2 | 120.9 | 9 | [로그인] | [로그인] | [로그인] |
| 11511214 | GPH 1204(3) | 12 | R1/2 | 19.7 | 15 | 88.8 | 22.4 | 38.2 | 11.9 | 5 | 24 | 66 | 22 | 22 | 27 | 19.5 | 22.5 | 9.5 | 177.4 | 9 | [로그인] | [로그인] | [로그인] |

