


※ 보라색으로 표기된 제품의 수치는 최신 발간행 이후 수치가 변경 된 항목이니 확인해 주시기 바랍니다.
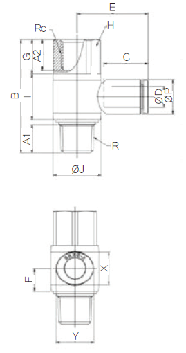
| CODE | MODEL | øD | R | Rc | øD | A1 | A2 | B | C | E | F | G | H | I | øJ | X | Y | Orifice (ømm) | W.G(g) | Q'ty/ inbox | Auto CAD MDT(3D) | Auto CAD R14(2D) | |
|---|---|---|---|---|---|---|---|---|---|---|---|---|---|---|---|---|---|---|---|---|---|---|---|
| STEP | DWG | ||||||||||||||||||||||
| 11260302 | GPHF 03M5 | 3 | M5 | M5 | 9 | 3.5 | 5 | 20.8 | 14.5 | 19.5 | 6.6 | 5.5 | 8 | 11.8 | 10 | 8.6 | 10.8 | 2 | 6.8 | 100 | [로그인] | [로그인] | [로그인] |
| 11260402 | GPHF 04M5 | 4 | M5 | M5 | 9 | 3.5 | 5 | 20.8 | 14.5 | 19.5 | 6.6 | 5.5 | 8 | 11.8 | 10 | 8.6 | 10.8 | 2 | 6.7 | 100 | [로그인] | [로그인] | [로그인] |
| 11260411 | GPHF 0401 | 4 | R1/8 | R1/8 | 9 | 8 | 9 | 34.5 | 14.5 | 21.5 | 7.3 | 10.5 | 13 | 14.5 | 14 | 8.6 | 10.8 | 3.2 | 21.2 | 50 | [로그인] | [로그인] | [로그인] |
| 11260412 | GPHF 0402 | 4 | R1/4 | R1/4 | 9 | 11 | 12 | 44.5 | 14.5 | 24 | 9 | 13.5 | 17 | 18 | 19 | 8.6 | 10.8 | 3.2 | 42 | 50 | [로그인] | [로그인] | [로그인] |
| 11260413 | GPHF 0403 | 4 | R3/8 | R3/8 | 9 | 12 | 13 | 50.8 | 14.5 | 25.7 | 10.5 | 15 | 21 | 21 | 22.4 | 8.6 | 10.8 | 3.2 | 66.8 | 50 | [로그인] | [로그인] | [로그인] |
| 11260602 | GPHF 06M5 | 6 | M5 | M5 | 11.2 | 3.5 | 5 | 20.8 | 15.5 | 20.5 | 7.1 | 5.5 | 8 | 11.8 | 10 | 11 | 13 | 2 | 7.5 | 100 | [로그인] | [로그인] | [로그인] |
| 11260611 | GPHF 0601 | 6 | R1/8 | R1/8 | 11.2 | 8 | 9 | 34.5 | 15.5 | 22.5 | 7.3 | 10.5 | 13 | 14.5 | 14 | 11 | 13 | 5 | 22 | 50 | [로그인] | [로그인] | [로그인] |
| 11260612 | GPHF 0602 | 6 | R1/4 | R1/4 | 11.2 | 11 | 12 | 44.5 | 15.5 | 25 | 9 | 13.5 | 17 | 18 | 19 | 11 | 13 | 5 | 42.8 | 50 | [로그인] | [로그인] | [로그인] |
| 11260613 | GPHF 0603 | 6 | R3/8 | R3/8 | 11.2 | 12 | 13 | 50.8 | 15.5 | 26.7 | 10.5 | 15 | 21 | 21 | 22.4 | 11 | 13 | 5 | 67.5 | 50 | [로그인] | [로그인] | [로그인] |
| 11260811 | GPHF 0801 | 8 | R1/8 | R1/8 | 13.6 | 8 | 9 | 34.5 | 17.8 | 25.6 | 8 | 10.5 | 13 | 14.5 | 14 | 13 | 15 | 6 | 23.2 | 50 | [로그인] | [로그인] | [로그인] |
| 11260812 | GPHF 0802 | 8 | R1/4 | R1/4 | 13.6 | 11 | 12 | 44.5 | 17.8 | 28.1 | 9 | 13.5 | 17 | 18 | 19 | 13 | 15 | 7 | 44.1 | 50 | [로그인] | [로그인] | [로그인] |
| 11260813 | GPHF 0803 | 8 | R3/8 | R3/8 | 13.6 | 12 | 13 | 50.8 | 17.8 | 29.8 | 10.5 | 15 | 21 | 21 | 22.4 | 13 | 15 | 7 | 68 | 25 | [로그인] | [로그인] | [로그인] |
| 11260814 | GPHF 0804 | 8 | R1/2 | R1/2 | 13.6 | 15 | 16 | 58.8 | 17.8 | 32.1 | 11 | 19 | 24 | 22 | 27 | 13 | 15 | 7 | 106.4 | 25 | [로그인] | [로그인] | [로그인] |
| 11261012 | GPHF 1002 | 10 | R1/4 | R1/4 | 16.3 | 11 | 12 | 44.5 | 19.4 | 28.9 | 9.7 | 13.5 | 17 | 18 | 19 | 16 | 18.5 | 8 | 47.3 | 25 | [로그인] | [로그인] | [로그인] |
| 11261013 | GPHF 1003 | 10 | R3/8 | R3/8 | 16.3 | 12 | 13 | 50.8 | 19.4 | 30.6 | 10.5 | 15 | 21 | 21 | 22.4 | 16 | 18.5 | 9 | 70.2 | 25 | [로그인] | [로그인] | [로그인] |
| 11261014 | GPHF 1004 | 10 | R1/2 | R1/2 | 16.3 | 15 | 16 | 58.8 | 19.4 | 32.9 | 11 | 19 | 24 | 22 | 27 | 16 | 18.5 | 9 | 107.6 | 20 | [로그인] | [로그인] | [로그인] |
| 11261213 | GPHF 1203 | 12 | R3/8 | R3/8 | 19.7 | 12 | 13 | 50.8 | 22.4 | 35.9 | 11.9 | 15 | 21 | 21 | 22.4 | 19.5 | 22.5 | 9.2 | 74.4 | 20 | [로그인] | [로그인] | [로그인] |
| 11261214 | GPHF 1204 | 12 | R1/2 | R1/2 | 19.7 | 15 | 16 | 58.8 | 22.4 | 38.2 | 11.9 | 19 | 24 | 22 | 27 | 19.5 | 22.5 | 9.5 | 111.8 | 20 | [로그인] | [로그인] | [로그인] |

