


※ 보라색으로 표기된 제품의 수치는 최신 발간행 이후 수치가 변경 된 항목이니 확인해 주시기 바랍니다.
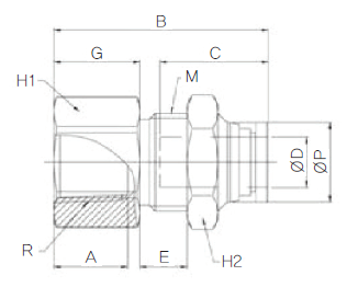
| CODE | MODEL | øD | Rc | øP | M | G | A | B | C | E | H1 | H2 | Orifice (ømm) | W.G(g) | Q'ty/ inbox | Auto CAD MDT(3D) | Auto CAD R14(2D) | |
|---|---|---|---|---|---|---|---|---|---|---|---|---|---|---|---|---|---|---|
| STEP | DWG | |||||||||||||||||
| 11200421 | GPMF 0401 | 4 | Rc1/8 | 8.8 | M12×1.0P | 11 | 9 | 25.1 | 14.5 | 3.4 | 14 | 14 | 3.2 | 18.3 | 100 | [로그인] | [로그인] | [로그인] |
| 11200422 | GPMF 0402 | 4 | Rc1/4 | 8.8 | M12×1.0P | 14 | 12 | 28.1 | 14.5 | 3.4 | 17 | 14 | 3.2 | 26 | 50 | [로그인] | [로그인] | [로그인] |
| 11200423 | GPMF 0403 | 4 | Rc3/8 | 8.8 | M12×1.0P | 15 | 13 | 29.1 | 14.5 | 3.4 | 19 | 14 | 3.2 | 27.5 | 50 | [로그인] | [로그인] | [로그인] |
| 11200621 | GPMF 0601 | 6 | Rc1/8 | 11 | M14×1.0P | 9 | 9 | 26.3 | 15.5 | 6 | 17 | 17 | 5 | 26.6 | 50 | [로그인] | [로그인] | [로그인] |
| 11200622 | GPMF 0602 | 6 | Rc1/4 | 11 | M14×1.0P | 14 | 12 | 31.3 | 15.5 | 6 | 17 | 17 | 5 | 31.4 | 50 | [로그인] | [로그인] | [로그인] |
| 11200623 | GPMF 0603 | 6 | Rc3/8 | 11 | M14×1.0P | 15 | 13 | 32.3 | 15.5 | 6 | 19 | 17 | 5 | 32.9 | 50 | [로그인] | [로그인] | [로그인] |
| 11200821 | GPMF 0801 | 8 | Rc1/8 | 13 | M16×1.0P | 8 | 9 | 28.9 | 17.8 | 7.7 | 19 | 19 | 7 | 39.9 | 50 | [로그인] | [로그인] | [로그인] |
| 11200822 | GPMF 0802 | 8 | Rc1/4 | 13 | M16×1.0P | 14 | 12 | 34.9 | 17.8 | 7.7 | 19 | 19 | 7 | 44.8 | 50 | [로그인] | [로그인] | [로그인] |
| 11200823 | GPMF 0803 | 8 | Rc3/8 | 13 | M16×1.0P | 15 | 13 | 35.9 | 17.8 | 7.7 | 19 | 19 | 7 | 41.8 | 50 | [로그인] | [로그인] | [로그인] |
| 11200824 | GPMF 0804 | 8 | Rc1/2 | 13 | M16×1.0P | 18 | 16 | 38.9 | 17.8 | 7.7 | 24 | 19 | 7 | 59.7 | 25 | [로그인] | [로그인] | [로그인] |
| 11201021 | GPMF 1001 | 10 | Rc1/8 | 15.5 | M20×1.0P | 10 | 9 | 29.3 | 19.4 | 5.7 | 22 | 24 | 7 | 54.8 | 25 | [로그인] | [로그인] | [로그인] |
| 11201022 | GPMF 1002 | 10 | Rc1/4 | 15.5 | M20×1.0P | 13 | 12 | 32.3 | 19.4 | 5.7 | 22 | 24 | 9 | 59.7 | 25 | [로그인] | [로그인] | [로그인] |
| 11201023 | GPMF 1003 | 10 | Rc3/8 | 15.5 | M20×1.0P | 15 | 13 | 34.3 | 19.4 | 5.7 | 22 | 24 | 9 | 58.3 | 25 | [로그인] | [로그인] | [로그인] |
| 11201024 | GPMF 1004 | 10 | Rc1/2 | 15.5 | M20×1.0P | 18 | 16 | 37.3 | 19.4 | 5.7 | 24 | 24 | 9 | 62.1 | 25 | [로그인] | [로그인] | [로그인] |
| 11201221 | GPMF 1201 | 12 | Rc1/8 | 18.8 | M22×1.0P | 9 | 9 | 32.4 | 22.4 | 8.2 | 24 | 26 | 8 | 69.4 | 25 | [로그인] | [로그인] | [로그인] |
| 11201222 | GPMF 1202 | 12 | Rc1/4 | 18.8 | M22×1.0P | 12 | 12 | 35.4 | 22.4 | 8.2 | 24 | 26 | 10 | 76.4 | 25 | [로그인] | [로그인] | [로그인] |
| 11201223 | GPMF 1203 | 12 | Rc3/8 | 18.8 | M22×1.0P | 14 | 13 | 37.4 | 22.4 | 8.2 | 24 | 26 | 10 | 76.1 | 25 | [로그인] | [로그인] | [로그인] |
| 11201224 | GPMF 1204 | 12 | Rc1/2 | 18.8 | M22×1.0P | 18 | 16 | 41.4 | 22.4 | 8.2 | 24 | 26 | 10 | 74.1 | 25 | [로그인] | [로그인] | [로그인] |

