


※ 보라색으로 표기된 제품의 수치는 최신 발간행 이후 수치가 변경 된 항목이니 확인해 주시기 바랍니다.
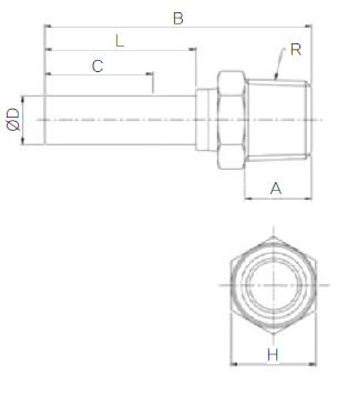
| CODE | MODEL | øD | R | A | B | L | C | H | Orifice (ømm) | W.G(g) | Q'ty/ inbox | Auto CAD MDT(3D) | Auto CAD R14(2D) | |
|---|---|---|---|---|---|---|---|---|---|---|---|---|---|---|
| STEP | DWG | |||||||||||||
| 11540402 | GPCJ 04M5 | 4 | M5 | 4 | 31.2 | 18 | 14.5 | 9 | 2 | 3.1 | 100 | [로그인] | [로그인] | [로그인] |
| 11540411 | GPCJ 0401 | 4 | R1/8 | 8 | 34.4 | 18 | 14.5 | 10 | 2.5 | 6.1 | 100 | [로그인] | [로그인] | [로그인] |
| 11540412 | GPCJ 0402 | 4 | R1/4 | 11 | 37.4 | 18 | 14.5 | 14 | 2.5 | 14.4 | 100 | [로그인] | [로그인] | [로그인] |
| 11540602 | GPCJ 06M5 | 6 | M5 | 4 | 36.2 | 23 | 15.5 | 9 | 2 | 3.3 | 100 | [로그인] | [로그인] | [로그인] |
| 11540611 | GPCJ 0601 | 6 | R1/8 | 8 | 39.4 | 23 | 15.5 | 10 | 4 | 6.3 | 100 | [로그인] | [로그인] | [로그인] |
| 11540612 | GPCJ 0602 | 6 | R1/4 | 11 | 42.2 | 23 | 15.5 | 14 | 4 | 14.6 | 50 | [로그인] | [로그인] | [로그인] |
| 11540613 | GPCJ 0603 | 6 | R3/8 | 12 | 43.4 | 23 | 15.5 | 17 | 4 | 23.1 | 50 | [로그인] | [로그인] | [로그인] |
| 11540811 | GPCJ 0801 | 8 | R1/8 | 8 | 41.5 | 25 | 17.8 | 10 | 6 | 6.1 | 50 | [로그인] | [로그인] | [로그인] |
| 11540812 | GPCJ 0802 | 8 | R1/4 | 11 | 44 | 25 | 17.8 | 14 | 6 | 14 | 50 | [로그인] | [로그인] | [로그인] |
| 11540813 | GPCJ 0803 | 8 | R3/8 | 12 | 45 | 25 | 17.8 | 17 | 6 | 22.4 | 50 | [로그인] | [로그인] | [로그인] |
| 11541012 | GPCJ 1002 | 10 | R1/4 | 11 | 49.1 | 27 | 19.4 | 17 | 8 | 18.8 | 25 | [로그인] | [로그인] | [로그인] |
| 11541013 | GPCJ 1003 | 10 | R3/8 | 12 | 48.6 | 27 | 19.4 | 17 | 8 | 20.6 | 25 | [로그인] | [로그인] | [로그인] |
| 11541014 | GPCJ 1004 | 10 | R1/2 | 15 | 51.6 | 27 | 19.4 | 21 | 8 | 38.5 | 25 | [로그인] | [로그인] | [로그인] |
| 11541212 | GPCJ 1202 | 12 | R1/4 | 11 | 51.1 | 29 | 22.4 | 17 | 8 | 19.7 | 25 | [로그인] | [로그인] | [로그인] |
| 11541213 | GPCJ 1203 | 12 | R3/8 | 12 | 50.6 | 29 | 22.4 | 17 | 9 | 21.5 | 25 | [로그인] | [로그인] | [로그인] |
| 11541214 | GPCJ 1204 | 12 | R1/2 | 15 | 53.6 | 29 | 22.4 | 21 | 9 | 39.4 | 25 | [로그인] | [로그인] | [로그인] |
| 11541413 | GPCJ 1403 | 14 | R3/8 | 12 | 56.5 | 30 | 24.4 | 20 | 11 | 33.1 | 12 | [로그인] | [로그인] | [로그인] |
| 11541414 | GPCJ 1404 | 14 | R1/2 | 15 | 59 | 30 | 24.4 | 21 | 11 | 46.1 | 12 | [로그인] | [로그인] | [로그인] |
| 11541613 | GPCJ 1603 | 16 | R3/8 | 12 | 57.5 | 31 | 25 | 20 | 11 | 33.7 | 12 | [로그인] | [로그인] | [로그인] |
| 11541614 | GPCJ 1604 | 16 | R1/2 | 15 | 60 | 31 | 25 | 21 | 13 | 46.7 | 12 | [로그인] | [로그인] | [로그인] |

